DLP IP 44 - Legrand
DLP IP 44 - Legrand
Товары DLP IP 44
|
|
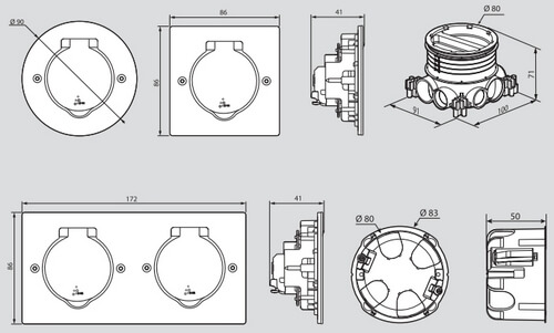
Встраиваемые розеточные лючки/блоки DLP IP 44Блоки являются универсальными, предназначены для установки как в полы, так и в стены, а также могут интегрироваться в мебель (например, в рабочий стол или кухонную столешницу). Блоки имеют повышенный уровень пыле-/влагозащиты (IP44) и ударопрочности (IK08), что позволяет использовать их в пыльных и влажных помещениях, а также в местах, где изделие будет подвергаться механическим воздействиям (например, на полу в проходных зонах). КомплектацияБлок поставляется без электроустановочных изделий, может быть укомплектован любыми 1- и 2-модульными изделиями серии MOSAIC. Блок оснащен подпружиненной крышкой, открывающейся на 180°, и антивандальными винтами со специальными шляпками для фиксации в монтажной коробке. Особенности
Комплектация2 цвета: нержавеющая сталь и бронза 3 формы: круглая (1 пост), квадратная (1 пост), прямоугольная (2 поста)
Механизмы и монтажные коробки приобретаются отдельно! Дополнительные аксессуары
Размеры
Круглая: Ø90мм × 41мм Квадратная: 86мм × 86мм × 41мм Прямоугольная: 172мм × 86мм × 41мм Купить встраиваемые розеточные лючки/блоки DLP IP 44 (Legrand) в интернет-магазине.На сайте Pulsal.ru вы можете:
Каталоги по встраиваемым розеточным лючкам/блокам DLP IP 44 |



